Projekčná a inžinierska činnosť

Spracovanie všetkých stupňov projektovej dokumentácie pre úspešnú realizáciu projektov, odborné poradenstvo a zastupovanie pri vybavovaní legislatívnych povolení.

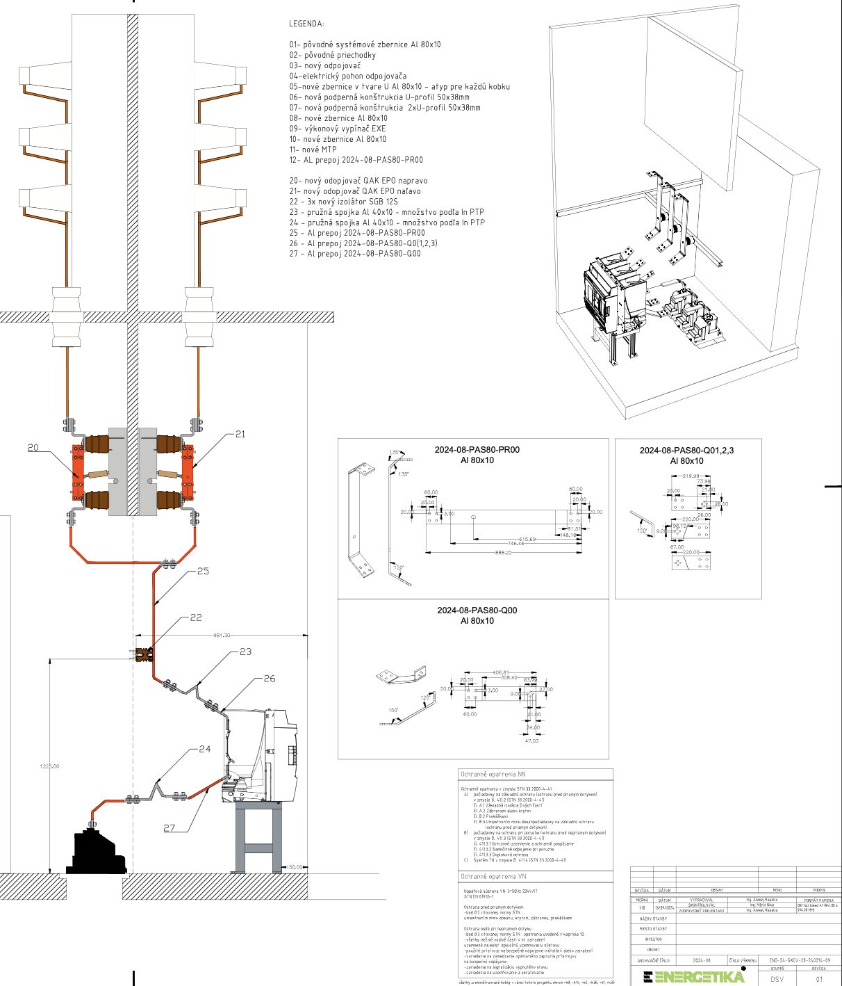
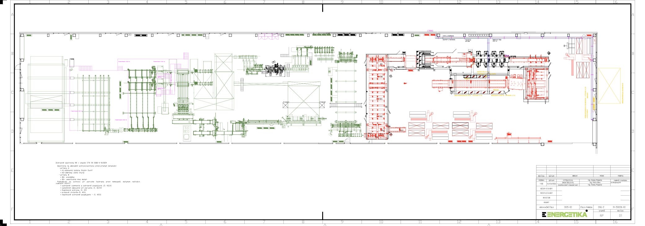
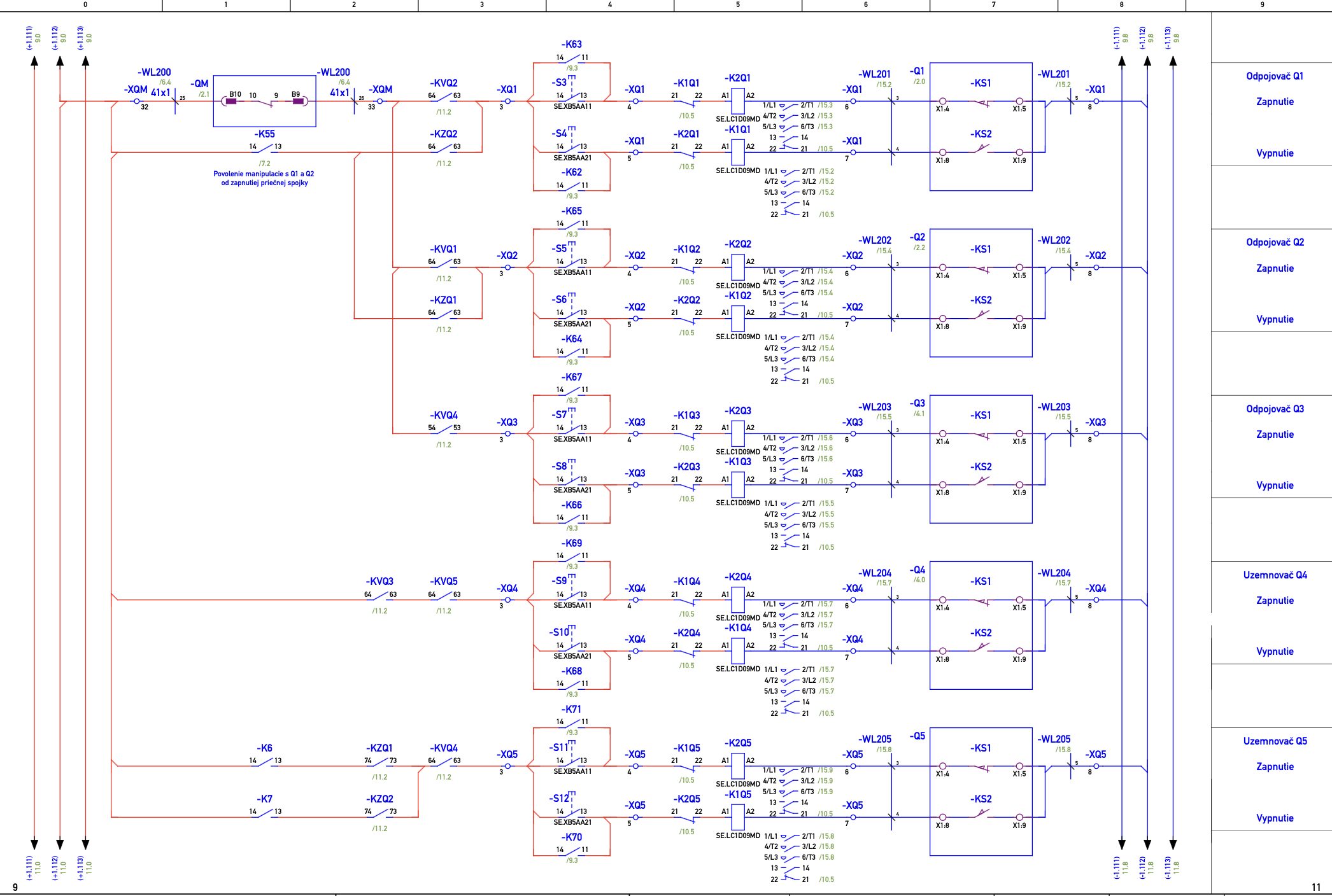
NN – VVN riešenia

Kompletné riešenia pre rozvodne do 400 kV.

Databáza meraní 24/7

Online prístup ku meracím protokolom.

ISO certifikáty

ISO 9001, §508/2009 Z.z. a ďalšie oprávnenia.

Každý úspešný projekt začína kvalitnou dokumentáciou

Zabezpečujeme vypracovanie projektovej dokumentácie pre výstavbu a modernizáciu NN, VN a VVN rozvodní, transformátorových staníc a komplexných elektroinštalačných riešení v priemysle.

Súčasťou našich služieb je aj odborné poradenstvo, inžinierska činnosť, ako aj technické simulácie a odborné výpočty, ktoré zabezpečujú bezpečné, efektívne a normám zodpovedajúce riešenia.

Pri návrhu využívame profesionálne softvérové nástroje ako napríklad:

EPLAN, RUPLAN, AutoCAD, ZWCAD